
分類:歐標鋁型材
材料:鋁合金Material Aluminum(6063-T5)
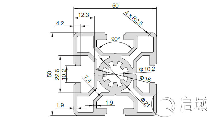
單位質量:2.95kg/m
長度:6.01m (可按需切割)
徑厚:4.2mm(50系列其它徑厚:2mm,7.4mm)
槽寬:10mm
任意長度切割、45度角切割、特殊角度切割,精度誤差小,低至±0.3mm-±0.5mm。
通孔、沉頭孔、盲孔、安裝孔,孔的位置精度及深度大小嚴格按照設計圖紙要求。
包含端面攻絲、鉆孔攻絲,采用適合潤滑劑來實現絲錐壽命,精確控制深度。
擁有CNC數控等加工設備,提供銑孔、銑槽、銑面、端銑等精加工服務。
提供成品組裝、上門測量安裝服務,并提供安裝說明書或遠程指導安裝。
氣泡膜、珍珠棉、牛皮紙(可打托發貨)。合作物流:申通快遞、順豐速運、安能物流、專線直達等
采用6063-T5標準的鋁棒原材,不摻雜廢鋁,確保鋁型材韌性足。
采用國家標準模具成型,保證載重量,延長使用壽命。
采用高精度自動化設備,直線度誤差低至±0.5mm,成型精度高。
材料進行失效處理后,硬度可高達13度,高承重設備不易變形,抗壓抗拉性能好。
氧化膜厚度符合國家標準,型材表面20年性能穩定。
銀白氧化處理,氧化膜達8-25Um,表面色澤均勻,不易銹,耐腐蝕。